Пн - Пт 9:00 - 17:00

Цепи тяговые пластинчатые используются в водоочистных сооружениях, оборудовании для сахарной промышленности, в дорожной технике, в конвейерах различного назначения.
Применяются в судостроении, в машиностроении; в металлургической, деревообрабатывающей, целлюлозно-бумажной промышленностях.
Тяговые пластинчатые цепи выпускаются по ГОСТ 588-81, ISO 1977, DIN 8165 и по стандарту предприятия. Кроме того ГОСТ 588-81 устанавливает для тяговых пластинчатых цепей типы и исполнения присоединительных элементов.

Типы тяговых пластинчатых цепей по ГОСТ 588-81

Тип 1 - Втулочные

Тип 1   Втулочные

 

Тип 2 - Роликовые

Тип 2   Роликовые

 

Тип 3 - Катковые с гладкими катками

Тип 3   Катковые с гладкими катками

 

Тип 4 - Катковые с ребордами на катках

Тип 4   Катковые с ребордами на катках

 

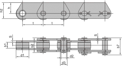
Цепи тяговые пластинчатые стандарт ISO 1977

Цепи тяговые пластинчатые

Пример условного обозначения цепи:

ISO 1977

Пример условного обозначения комплектующих изделий:

  • С-MC 224-F-200 - звено соединительное к цепи
Соединительное звено со шплинтами

Соединительное звено со шплинтами

Соединительное звено с ригелями

Соединительное звено с ригелями

Цепи тяговые пластинчатые стандарт DIN 8165

С цельными валиками

С цельными валиками

Со спецэлементами

Со спецэлементами

С высокими пластинами

С высокими пластинами

С полыми валиками

С полыми валиками

Цепи тяговые пластинчатые

Пример условного обозначения цепи:

DIN 8165

Пример условного обозначения комплектующих изделий:

  • С-FVC 250-S-200 - звено соединительное к цепи
plast-iso2

Соединительное звено со шплинтами

Соединительное звено с ригелями

Соединительное звено с ригелями

© 2026 Производство и проектирование съёмных грузозахватных приспособлений - ООО "Ника" .