Крюки кованые и штампованные ГОСТ 34680-2020
Приказом Федерального агентства по техническому регулированию и метрологии от 22 октября 2020 г. N 915-ст межгосударственный стандарт ГОСТ 34680-2020 введен в действие в качестве национального стандарта Российской Федерации с 1 июня 2021 г. ВЗАМЕН ГОСТ 2105-75, ГОСТ 6627-74, ГОСТ 6628-73
Область применения
Настоящий стандарт устанавливает технические требования к однорогим и двурогим крюкам, применяемым в грузоподъемных кранах и других подъемных механизмах, а также методы их контроля.
Настоящий стандарт не распространяется на крюки для судостроения и крюки специального назначения.
Общие положения
Крюки ГОСТ 34680-2020 и заготовки крюков изготавливаются в соответствии с требованиями настоящего стандарта по рабочим чертежам, утвержденным в установленном порядке.
Заготовки крюков выполняют методом свободной ковки (далее - кованые) или методом горячей объемной штамповки (далее - штампованные).
Классификация и конструкция крюков
Крюки категории I - однорогие крюки, конструкции заготовок которых соответствуют показанным на рисунке 1. Заготовки крюков категории I разделяют по типам: А - с коротким хвостовиком; Б - с длинным хвостовиком. Каждый тип изготавливают без прилива и с приливом (N).

Рисунок 1 - Заготовки однорогих крюков категории I
Крюки категории II - двурогие крюки, конструкции заготовок которых соответствуют показанным на рисунке 2. Заготовки крюков категории II разделяют по типам: А - с коротким хвостовиком; Б - с длинным хвостовиком.

Рисунок 2 - Заготовки двурогих крюков категории II
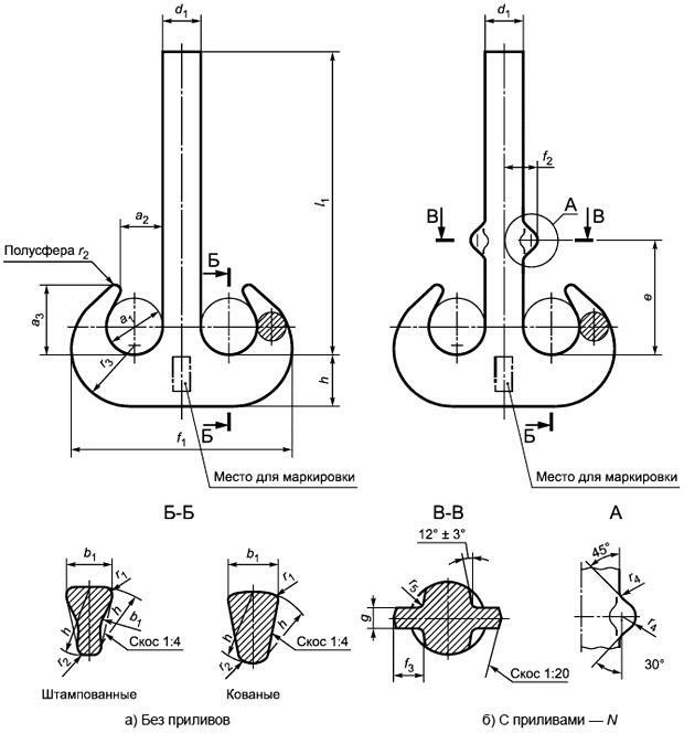
Крюки категории III - однорогие кованые и штампованные крюки, конструкции заготовок которых соответствуют показанным на рисунках 3 и 4. Заготовки крюков категории III разделяют на три основных класса прочности в зависимости от величины предела текучести стали: M - 235 МПа, P - 315 МПа, T - 490 МПа, и два дополнительных класса: S - 390 МПа, V - 620 МПа. Крюки изготавливают без прилива и с приливом (N).

Рисунок 3 – Кованные заготовки однорогих крюков категории III от № 006 до № 250 включительно

Рисунок 4 - Штампованные заготовки однорогих крюков категории III в исполнении N от № 006 до № 40 включительно
Крюки категории IV - двурогие кованые и штампованные крюки, конструкции заготовок которых соответствуют показанным на рисунке 5. Заготовки крюков категории IV разделяют на три основных класса прочности в зависимости от величины предела текучести стали: М - 235 МПа, Р - 315 МПа, Т - 490 МПа, и два дополнительных класса: S - 390 МПа, V - 620 МПа. Крюки категории IV изготовляют без приливов и с приливами (N).

Рисунок 5 - Заготовки двурогих крюков категории IV
Условные обозначений крюков
- Пример условного обозначения однорогого крюка категории I, № 10, типа А (с коротким хвостовиком), без прилива:
Крюк однорогий I-10-А ГОСТ 34680 - Пример условного обозначения однорогого крюка категории I, № 20, типа Б (с длинным хвостовиком), исполнения N (с приливом):
Крюк однорогий I-20-Б-N ГОСТ 34680 - Пример условного обозначения двурогого крюка категории II, № 10, типа А (с коротким хвостовиком):
Крюк двурогий II-10-А ГОСТ 34680 - Пример условного обозначения двурогого крюка категории II, № 14, типа Б (с длинным хвостовиком):
Крюк двурогий II-14-Б ГОСТ 34680 - Пример условного обозначения однорогого крюка категории III, класса прочности М, № 20, без прилива):
Крюк однорогий III-M-20 ГОСТ 34680 - Пример условного обозначения однорогого крюка категории III, класса прочности Т, № 20, с приливом):
Крюк однорогий III-T-20-N ГОСТ 34680 - Пример условного обозначения двурогого крюка категории IV, класса прочности Т, № 20, с приливами):
Крюк двурогий IV-T-20-N ГОСТ 34680 - Пример условного обозначения двурогого крюка категории IV, класса прочности М, № 10, с приливами):
Крюк двурогий IV-M-10-N ГОСТ 34680 - Пример условного обозначения однорогого крюка категории III, класса прочности Т, № 80, с приливом и размером l4, равным 1420 мм):
Крюк однорогий III-T-80-N-1420 ГОСТ 34680
