Тормоза колодочные
|
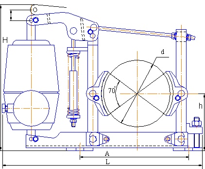
Тормоза колодочные крановые электрогидравлические нормально замкнутого типа (ТКГ) предназначены для остановки и удержания валов подъемно-транспортных машин в заторможенном состоянии при неработающем приводе. Тормоз колодочный крановый состоит из механической части и электрогидравлического привода. Тормоза устанавливаются в вертикальном положении (с горизонтальным расположением оси тормозного шкива). При установке на открытом воздухе, крановые тормоза должны быть защищены кожухом. Условия эксплуатации крановых тормозов: температура воздуха от –40 до +40С; относительная влажность до 80% при 20С. Колодочные тормоза имеют широкий диапазон тормозных моментов за счет установки на них толкателей различных типоразмеров. Тормозной момент выбирается исходя из коэффициента запаса торможения, определяемого режимом работы механизма подъема. |
|
Основные характеристики и габаритные размеры тормозов колодочных, выпускаемых нашим предприятием:
| |||||
|---|---|---|---|---|---|
|
Наименование параметра
|
Типоразмер тормоза
|
||||
|
ТКГ-160
|
ТКГ-200
|
ТКГ-300
|
ТКГ-400
|
ТКГ-500
|
|
|
Тормозной момент, Нм, не менее
|
100
|
300
|
800
|
1500
|
2500
|
|
Диаметр тормозного шкива, d, мм
|
160
|
200
|
300
|
400
|
500
|
|
Потребляемая мощность, Вт
|
160
|
160
|
200
|
240
|
240
|
|
Род тока
|
Переменный частотой 50 Гц
|
||||
|
Напряжение, В
|
220/380
220/380
|
||||
|
Тип толкателя
|
ТЭ-30
|
ТЭ-30
|
ТЭ-50
|
ТЭ-80
|
ТЭ-80
|
|
Номинальное усилие на штоке электродвигателя, не менее
|
300
|
300
|
500
|
800
|
800
|
|
Ход штока электрогидротолкателя, мм, не менее
|
32
|
32
|
65
|
65
|
65
|
|
Время наложения колодок, с, не более
|
0,37
|
0,37
|
0,35
|
0,4
|
0,4
|
|
Масса тормоза, кг, не более
|
22
|
30
|
50
|
95
|
150
|
|
L
|
490
|
608
|
772
|
895
|
1160
|
|
H
|
415
|
421
|
550
|
600
|
735
|
|
A
|
200
|
350
|
500
|
340
|
410
|
|
h
|
144
|
170
|
240
|
300
|
400
|

